![]()
你知道你脸上有多少螨虫吗?人类脸上的“痤疮螨虫”已经进化成了共生生物。不管承不承认,大部分人的脸上都寄生着痤疮螨虫,它们短暂的一生几乎全部都是在人的脸上度过的,在脸上出生,在脸上吃饭,在脸上“恋爱生子”。然而,一项新的研究表明,他们不再只是寄生的存在,一种特殊的生活方式使痤疮螨虫逐渐进化为人类的共生生物。
![]()
为了适应毛孔生活,改变痘痘螨虫的基因序列英国雷丁大学的无脊椎动物学家亚历亨德拉·佩罗蒂解释说:“我们发现,构成痤疮螨虫身体的遗传基因序列适应了毛孔内的生活,因此与近亲物种不同。”只在人类的脸上度过短暂的一生,在这种孤立环境中进行世代交换,螨虫已经从单纯的寄生向与人类共生的方向变化。一般的寄生虫在发育初期细胞数会减少,但经确认,痤疮螨虫在发育初期细胞数比成虫期更多。据研究团队称,这是痤疮螨虫从寄生物向共生生物转变的征兆。
![]()
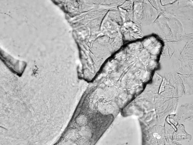
在我们的脸上,痤疮、螨虫、痤疮螨虫度过一生“螨虫”这个词听起来就很讨厌,但如果了解的话,可能会觉得很有趣,就像养宠物一样。它们唯一的食物是人类老化的面部皮肤细胞,依靠这些细胞痤疮螨虫度过2周左右的短暂一生。螨虫一般体长0.3mm左右,它的身体细长,容易进入人的毛孔,一端有小脚和嘴。它们平时在毛孔里,到了晚上就出来,悄悄地在脸上走动,寻找恋爱的对象,交配,养育后代。它们的遗传基因也很独特。因为是在人类的脸上这种罕见的生存环境,所以没有天敌,也没有必要和其他螨虫竞争。因此,只有生存所需的最低限度的基因。脚由3个肌肉细胞驱动,身体中的蛋白质也只有生存所需的最低限度,其数量在近亲中是最少的。痘痘螨虫与众不同的习性也是因为遗传基因简单。例如,只在晚上从毛孔里出来,是因为没有保护身体不受紫外线伤害的遗传基因和白天发生的遗传基因。而且也无法制造几乎所有生物都有的“褪黑激素”。这种激素也被称为睡眠激素,在人类体内调节睡眠周期。虽然自己不制造褪黑激素,但在傍晚吃人体皮肤分泌的褪黑激素来补充,所以没有问题。
![]()
而无脊椎动物则与运动和生殖有关。但这并不意味着痤疮螨虫不能运动,也不是不能生殖。与其他螨虫不同,痤疮螨的阴茎位置独特,痤疮螨虫的生殖器移动到身体的前方。另外,雄性的情况是,从背部向前上方生长。也就是说,雄性为了交配,必须潜入雌性的下面。 痤疮螨虫变成共生生物的征兆另一方面,潜在的基因库非常小。因为,由于孤立的生存环境,几乎没有机会使基因多样化,这可能意味着痤疮螨虫的进化已经进入了死胡同。有趣的是,在若虫(幼虫和成虫的中间阶段)时期,痤疮螨虫的细胞最多。如果变成成虫,细胞反而会减少。根据研究小组的说法,这是进化成与宿主共生的生活方式时的第一步。如果螨虫与人类形成互惠共生的关系,对人类有什么好处呢?
![]()
痤疮螨虫有肛门这一意外的事实,或许能给我们一些启示。长期以来,人们认为痤疮螨虫没有肛门,会在体内持续堆积废物。所以死的时候身体会破裂,排出积存的粪便,这被认为会引起皮肤问题。但是,这次发现了痤疮螨虫有小小的肛门。也就是说因为定期排出废物,所以对皮肤的影响很小。研究小组的动物学家亨克·布雷格说,相反,通过与人类的长期交往,它可能还具有简单但重要且有益的作用,例如不堵塞面部毛孔等。光是能吃掉变老的皮肤,就已经是非常难得的存在了吗?还有,虽然觉得自己是孤身一人,但脸上总是住着一个叫“痤疮螨虫”的伙伴,这也会成为鼓励吧?
![]()
![]()