【干货】钣金折弯件的结构设计原则





1 板件最小弯曲半径
板件弯曲时,若弯曲处的圆角过小,则外表面容易产生裂纹。若弯曲圆角过大,因受到回弹的影响,弯曲件的精度不易保证。为此规定最小弯曲半径。见4.1-3表。

2 弯曲的直边高度不宜过小,否则不易成形足够的弯矩,很难得到形状准确的零件。其值h≥R+2t方可。见4.1—5图。

3 弯曲边冲孔时,孔边到弯曲半径R中心的距离L不得过小,以免弯曲成型后会使孔变形。其
值L≥2t方可。见4.1—6图。
4 当a<R时,弯曲后,b面靠a处仍然有一段残余圆弧,为了避免残余圆弧,必须使a≥R。

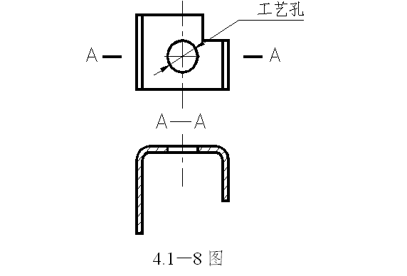
5 在U形弯曲件上,两弯曲边最好等长,以免弯曲时产生向一边移位。如不允许,可设一工艺定位孔。如图4.1—8图。

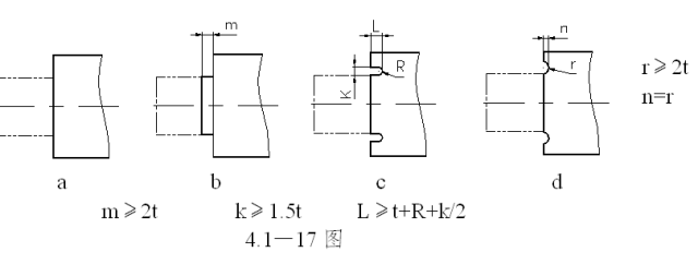
6 防止侧面(梯形)弯曲时产生裂纹或畸形。应设计预留切槽,或将根部改为阶梯形。槽宽K≥2t,槽深L≥t+R+K/2。

7 防止圆角在弯曲时受压产生挤料后起皱,应设计预留切口。如室外机侧板(上端、下端)圆角处切口形式。

8 防止弯曲后,直角的两侧平面产生褶皱,应设计预留切口。

9 防止弯曲后,产生回弹的切口形式。

10 防止冲孔后,弯曲产生裂纹的切口形式。

11 防止弯曲时,一边向内产生收缩。可设计工艺定位孔,或两边同时折弯,还可用增加幅宽的办法来解决收缩问题。

12 弯成直角的搭接形式。

13 凸部的弯曲
若象a图那样弯曲线和阶梯线一致,有时会在根部开裂变形。所以使弯曲线让开阶梯线如图b,或设计切口如c、d那样。

14 防止弯曲时,弯曲面上的孔受力后会变形,孔边距(至底根部)其值A≥4方可。

【干货】座椅总成检具技术规范
【干货】内外饰仪表板安装断面设计规范
【干货】汽车座椅操纵件布置规范
【干货】最全面的轿车内部凸出物及试验详解

文章来源于:机电微学堂。如有侵权,请联系删除。

公众号:qcnws01  ▕   撩拨小编:qcnwssj
  
到顶部