大学生创业好帮手,这台12年的铃木北斗星原版原漆,检测完失望了


2022年第5篇检车记
一两万的预算买什么车?
这位刚毕业的大学生想到了铃木北斗星。
说起来北斗星车型,很多老司机都是非常的熟悉,它是国内首款推向市场的小型多功能车,在国内上市已经二十多年的时间了,曾经也是风靡一时。

这款车有两大优点,第一就是承载能力出众,第二就是空间表现出色。当然还有它的价格优势。
不到5万的价格就能入手一台能拉货、能载人、能越野、能高速的全能车型,对于创业初期的年轻人来说,无疑是一个不错的选择。
虽然这款车型已经停产,但在二手车中,北斗星依然非常保值,而且这款车型也比较耐开。路面上十年左右的北斗星非常常见,耐开程度丝毫不亚于很多车型。

今天这位岛弹就是看中了北斗星的实用性,所以特地来找我们淘一台。
其实,这位岛弹还是一位在读大学生,老家平顶山,在上海读大学。因为年后就要开始实习了,所以他准备趁着寒假在家的这段时间买台小车发到上海,等实习工作的时候用起来方便,还说自己想先体验一下针对学生的便宜的二手车,如果体验好的话,可以考虑在学校旁边开个店,专门针对学生买卖和出租便宜的二手车,现在学生兜里都有钱了,自行车已经满足不了他们了,满脑子的生意经啊,哈哈。

经过和岛弹沟通我们了解到,岛弹这次淘车的预算都是自己在大学期间兼职存下来的,虽然预算只有两万左右,但是想到能靠自己的努力买人生第一台车还是觉得很有成就感。
岛弹的首选车型是1.4排量的铃木北斗星,第二选择是1.5排量的铃木雨燕。
确定好淘车要求后,岛弹支付了999元淘车诚意金。可惜启动淘车没两天又遇上了疫情影响,所以年前也没有帮岛弹淘到合适的车源。

春节假期刚过,岛弹就联系上了胡大大,说他自己在某鱼上找到一台12年的北斗星,卖家说这车是原版原漆,无事故无泡水,公里数6万多,价格要1.4万。

岛弹觉得还挺心动的,所以就准备让我们帮他鉴定一下车况,差不多就买了。
于是,胡大大就按照和卖家约好的时间到了平顶山,见到了 这台铃木北斗星。
从外观上来看,感觉这台12年的北斗星还不错,方方正正的造型依旧是那么经典。

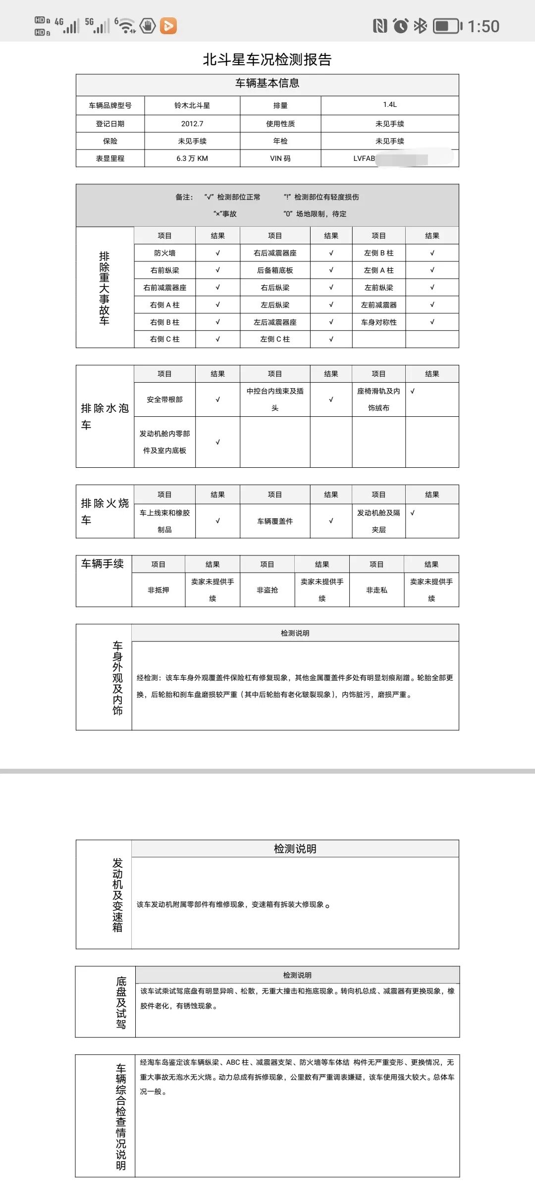
绕车一周,发现有一些明显的划痕剐蹭,不过卖家都没有处理。用漆面测厚仪测了一圈,发现除了保险杠有修复现象,其他金属覆盖件都没有补漆。

不过轮胎已经全部更换了,后轮胎和刹车盘磨损较严重另,外后轮胎有老化皲裂现象。
然后胡大大打开发动机盖,看看动力总成情况如何。

北斗星的动力在同级车中还是比较优秀的,它使用的K14B型发动机是铃木公司全球战略小型发动机,排量1.4L,最大功率70kw,最大扭矩112 N·m,最大功率转速6,000 rpm,最大扭矩转速4000 rpm。与这台发动机匹配的是一台5速手动变速箱。
仔细检查后发现,这台北斗星的动力总成有拆修现象,发动机附属零部件有维修,特别是变速箱有拆装大修现象,整体情况不容乐观。
接下来,我们再来看看内饰。

毕竟是一台将近十年的老车了,我们自然不会对内饰有太高的期望,但是看到这个内饰后,胡大大还是略感失望,心想:"磨损这么严重,主驾驶都塌下去了尤其是左侧边沿塌陷的更严重,哪是六万多公里的样子"。




虽然调表比较严重,不过经过一番检查后倒是没有发现泡水的情况。另外,这个仪表台本来就比较简单,所以各功能按键也都能正常使用。用电脑读取公里数的时候竟然爆表了,600万多公里,我怀疑我的电脑出神经错乱了,读不出来就不要硬读嘛,哈哈😊!

接下来,在征得卖家的同意后,胡大大把车开到了一个修理厂,准备上架子看看底盘,顺便试驾一把。

结果发现,这车开起来底盘有明显异响、松散,能感觉到这车的使用强度比较大。底盘检测没发现重大撞击和拖底现象,不过转向机总成、减震器有更换,橡
胶件老化,有锈蚀现象,刹车盘磨损严重。







     总体来看,这台北斗星虽然无事故、无泡水。但动力总成有拆修现象,公里数有严重调表嫌疑,而且使用强度较大,根据经验判断最少也得十几万公里吧。总体车况只能说是一般,不建议岛弹入手。


看到这个结果,岛弹也是果断放弃了。
胡大大忍不住感慨,看来原版原漆的二手车也不一定就值得买啊!


后来淘了几台,有一台只有6万多公里的北斗星一样被用的厉害,客户也没相中。最后去上海上学之前买到了一台11年的老款波罗,帮他发到了上海。


虽然检测没有成功,但是能认识这样一位自立自强的大学生岛弹,胡大大也算是不虚此行了!如果你也像这位岛弹一样,走出校门就想有一台车方便以后的工作生活,欢迎和我们联系,淘车岛期待能为更多的有志青年实现爱车梦!
淘车岛目前支持以华中(郑州)为中心的全国范围内的定制淘车和上门检测服务,避免客户买到事故车、火烧车、水泡车,淘车岛提供“错一赔十”保障!
点击了解(定制淘车服务流程)
点击了解(帮看车服务流程)
点击了解(淘车岛车况检测全过程)
欢迎关注淘车岛公众号或访问淘车岛官网:www.taochedao.cn
定制淘车、检测评估可在公众号或官网下单、留言
「往  •  期  •  精  •  选」
●两万多买台代步小车,铃木天语是不是你的菜?
●两万多入手当年的操控王,1.8L手动两厢福克斯,你喜欢吗?
●一万多不是只能买个带棚的电动车,还能买一台A级家轿
●刚毕业、刚就业、刚需,买人生中第一台车,大多从两三万买台什么车这个话题开始......
●一位将要去实习的同学,用自己攒的钱找我们淘了一台二手代步车,看看值不值?
●年轻人的理想玩物——嘉年华ST检测记

戳“阅读原文”,看好车库更多好车
到顶部