五座嫌挤七座太大,五口之家,我推荐这台十多万的六座MPV


家里六口人,你选几座车?
话说二胎政策已经施行五六年了,身边也有很多朋友选择生两个宝宝,这样一来,很大一部分家庭结构变成了"一对夫妻+两个老人+两个孩子"的六口之家。

这样一来,家里只有一台五座的汽车就很难实现全家一起出行的愿望了。怎么办呢?
最省钱的办法就是暂时将就一下,大不了平常出门的时候留一个人在家看家。
最费钱的办法就是买两台车,夫妻二人,一人一台,想要一起出去就开两台,平常用车也更方便;
除此之外,还有一种折中的办法,那就是换一台六座或七座的车,这样一来,既不用养两台车也不用担心坐不下的问题了。

六座车和七座车怎么选?
汽车厂商也嗅到了其中的商机,最近几年,不少汽车厂家都陆续推出七座、六座的MPV/SUV,不过,和六座相比七座车更受欢迎,比如大家经常看到的别克GL8、艾力绅、奥德赛、汉兰达、锐界等,都是7座MPV/SUV中比较受欢迎的车型。

相比这些动辄月销上万台的7座车型相比,六座车型的处境就显得有些尴尬了。
有人说,六座车对比七座车少了一个座位,如果人们有买六座车的需求,七座车满足他们需求的程度会更高,所以他们会倾向于买七座车。
但其实,这样说的人估计是没有体验过六座和七座的差别。

下面这位岛弹的想法或许能代表一部分选择六座车型的车主的心声。
这位岛弹原来开的是一台飞度,由于孩子的出生,老人也过来帮忙照看孩子,原来的二人世界突然变成了五口之家,全家出行的时候,飞度的空间就变得局促了。
于是岛弹就有了换车的想法。
但是,作为一个普通的工薪阶层换车也没有太多的预算,再加上孩子的出生,开销也逐渐增加。和妻子商量后,岛弹决定换一台十万左右的六座二手车。
为什么不选7座?
岛弹说了三个原因:
一是现在家里也就五口人,六座完全够用了。
二是7座车型要么尺寸太大,感觉家用不太合适,要么就是一些尺寸比较小的车,硬要做成7座车,很难保证每个座位都有充裕的乘坐空间,所以舒适性上会差些。
当然预算自然也是一方面。

最后岛弹经过对比,选定了途安L的六座版。
这台车是岛弹自己找的车源。

车是2018款 途安L 280TSI DSG豪华版 6座,2017年8月入户,一手是4S店名下,后来过户到卖家名下。车在安阳。

卖家说这台车只有一万多公里,车况非常好,价格谈到121000,岛弹觉得挺满意的,就是有点不放心车况,想让我们帮他检测一下。
岛弹和卖家沟通好后,卖家如约把车开到了我们店里。


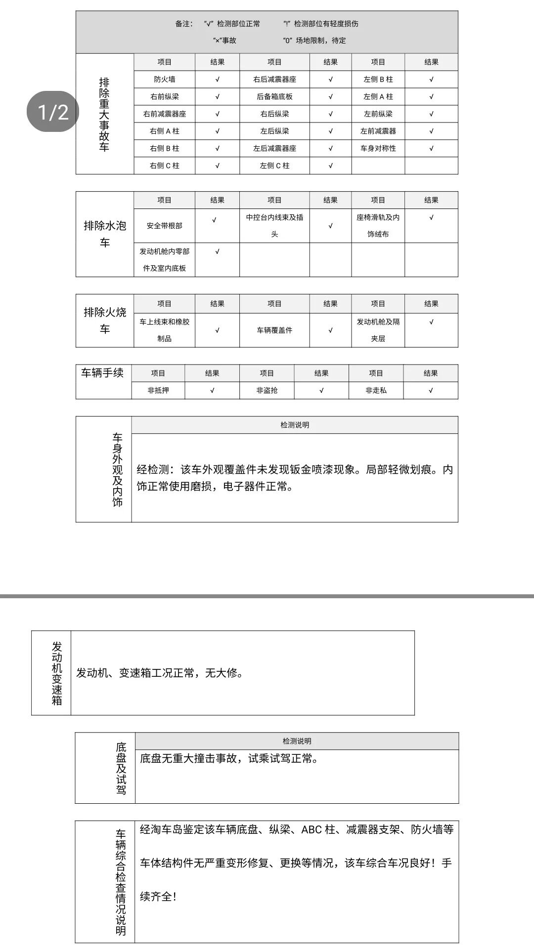
岛弹最担心的是公里数是否属实问题,胡大大借助仪器和多年的检测经验,排除了调表的嫌疑。


接着就是按照我们的检测流程,动力总成、外观覆盖件、车身骨架、内饰等检测一遍,除了外观覆盖件有几处轻微的划痕,其他都没有问题,连补漆都没有。


底盘检测也没有任何渗漏和磕碰。

接下来又和岛弹一起进行了试乘试驾,也没有发现任何问题。



检测结果和卖家描述的基本一致,最后,岛弹顺利入手了这台六座MPV。

六座的途安l是否满足你的家用需求?
途安也是国内的老牌合资MPV,换代后加长加大了,改名途安L。外观、内饰和动力系统依然是熟悉的大众味。

空间方面,这台六座版的途安l车身长×宽×高(mm)为4527×1829×1659,轴距为2791,采用2+2+2的六座式座椅布置方式,其第二排座椅两侧均设计有独立扶手。一般家用这个空间可以完全满足了。

在配置方面,这台高配版的途安l配置还是相当丰富的,可以说该有的都有了,真皮座椅,多功能方向盘、电动后备箱、全景天窗、定速巡航、丹拿音响,还有非常实用的后排小桌板,科技感、实用性和安全性配置都非常到位。




动力方面,采用的是1.4T4缸涡轮增压发动机,最大马力(PS)为150,最大扭矩(N·m)为250,使用7挡双离合变速箱,最高车速(km/h)204,百公里加速度为9.3s,工信部给出的百公里油耗为5.9L,作为一台六座车型,这个油耗已经很经济了。

要说性价比,新车我们不好说,但是二手的途安L性价比还是非常高的,这台高配的六座版途安l只有一万多公里,但是十二万多就可以入手,这样的空间、配置和品质难道还不足以打动你吗?
【淘车岛检车记】之途安L——2021年第10篇检车记。谢谢你阅读!为了更好地为你呈现淘车检测故事,期待你的点赞和留言!
2021年7月7日


●【淘车岛官方帮看车服务流程】攻略
●【淘车岛官方淘车流程】8步购车攻略
●【淘车岛官方检车流程】9步检测攻略
●二手车帮买第一站,淘车岛&胡大大六年的坚守和服务
●终于淘到您,小众却不平庸,一台被遗忘的好车——英菲尼迪Q70L
●好不容易淘到一台四驱宝马3系,因为车管所的一个疏忽差点退车
●有为青年的精英座驾——奥迪A4L,豪华品牌B级车的性价比之选
●太值了!30万喜提准新沃尔沃S90,一下比新车省了大几万
戳“阅读原文”发现更多好车
到顶部