道舍村网科技:难得一见接近满分的户型,99.99%的人看了都说yes。


难得一见接近满分的户型,99.99%的人看了都说yes。这是效果图。

△效果图
道舍村网科技案例展示(小部分)



Δ中国湖北汉川夏府别墅项目













Δ中国湖北武汉东西湖四合院项目

Δ加拿大温尼伯mercharts项目

Δ加拿大温尼伯prichard项目


Δ中国浙江桐乡市生态公厕建设项目



Δ中国湖北荆州市鑫利嘉境别墅项目
(篇幅有限,不一一展示了)
农村盖房
上道舍村网
设计施工一站式盖房服务
让您省时、省心、省力、省钱
自建房
别墅
民宿
庄园
设计施工

下单咨询
18171898565
微信扫一扫即可添加汤亮微信
(请您备注来自公众号+来意+城市,谢谢配合)

下单咨询
18171898565
微信扫一扫即可添加汤亮企业微信
(请您备注来自公众号+来意+城市,谢谢配合)

下单咨询
18086036676
(微信同步)
       
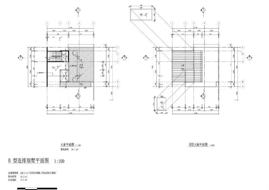
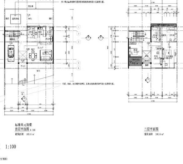
建筑层数两层,别野单体开间11.7米,进深9.9米,建筑结构图都有哈,

△B 型连排别墅首、二层平面图
       进门是开放式大客厅、餐厅,超大玻璃窗设计,不仅通风,采光也好,卫生间、洗衣房、厨房,工人房、车库,楼梯下方平台设有储藏室,空间充分利用。温泉泡池,高端大气上档次。
        二楼主人套房带超大衣帽间,设有独立卫生间带飘窗,这个次卧也是带带飘窗,楼梯边卧室带宽大美景可利用平台,可夏乘凉秋赏月。还有一个卫生间。
   这是天面平面图。

△B 型连排别墅天面、顶层天面平面图
立面图附上。

△A 型连排别墅1、2立面图

△A 型连排别墅3、4立面图
剖面图。

△A 型连排别墅A-A、B-B剖面图
喜欢就点赞,建房来看看。
  
如果你想盖一栋自己的房子
告诉【道舍村网】您的需求
我们将为您提供一站式服务
设计、施工

扫微信公众号,设计有优惠!
商务合作
诚邀
全球范围有实力的
设计师/施工队/建材厂家/家居厂家
与我们合作
合作咨询电话
027-87509668
18171898565

道舍村网创始人微信二维码
合作交流请扫码
(请您备注来自公众号+来意+城市,谢谢配合)

【招募】城市合伙人。一定要做农村!
【入驻】道舍村网诚邀全球优质施工队入驻
【现场勘测】您知道您为何钱花了房子起不好吗?
全套图纸点击这里免费领取
附上汤亮帅帅的照片,请欣赏

↓↓↓点击【阅读原文】进入道舍村网官网

道  舍  村  网
阅读原文
到顶部