继续操作前请注册或者登录。

拆解一款小米米家感应小夜灯,拆解完,我不由得感叹:你相信光吗


今天拆解的这个是米家的小夜灯,这个灯是三年前买的。那时候我的宝宝出生了,晚上醒来的时候,卧室里得有一点光。我去网上选了一番,最终确定了买它。

于是它默默地在夜间陪伴了宝宝两年多,
见证了宝宝在夜里哭醒;
见证了宝宝发烧时通红的小脸;
见证了宝宝从不会翻身到在床上蹦跳的成长;
也见证了老婆对宝宝的无微不至的辛劳!
现在我从柜子里翻出已经半年不用的它,擦去灰尘,装上电池,它如往常一样,默默无闻的发出了光,微弱,却温馨。

设计还是一如既往的简洁,但是用料、做工却从不含糊。尺寸是直径83mm,高35mm。底部中间是米家的LOGO,周围一圈是产品名称“米家感应夜灯”,型号“MJYD01YL”,额定电压4.5V,以及制造商和产地信息。

购买的时候还有一个赠送的用来壁挂小夜灯的贴纸,我在拍照的时候撕下来了。

这个小夜灯用的是干电池,换电池需要把底盖旋转开,具体操作也在侧面有标注。

轻轻旋转拿掉底盖之后,就可以看到电池仓是三角形分布。内部有一个拨段开关是用来调节不同亮度的。

抠掉电池,发现外表依然清秀的它,内部却有了岁月腐蚀的痕迹。

三颗螺丝拆掉之后,就可以把灯正面的盖子拿下来了。

拿下盖子之后可以看到在PCB上面还有一个盖板。盖板上的龙鳞纹是为了把光导到外面这个半透光的圈圈。因为顶盖和底盖通过螺丝固定,所以中间这个圈圈是夹在二者之间的,稍微用力拉一下就从槽里出来了。

接下来依次进行拆解,拿出圈圈之后就可以顺利把PCB上这个盖板拿下来了。

这些所有的塑料组件,看起来都非常细腻,质感非常好,没有任何毛刺和瑕疵。传说中的模具厂真不是吹的,随便一个产品拆解开都有好多精致的部件。
电路板是卡在底壳上的三角形凹槽的,用螺丝刀轻轻一撬就可以把电路板拿出来了。

接下来给板子打一点硬光,仔细看看电路板的设计。

01
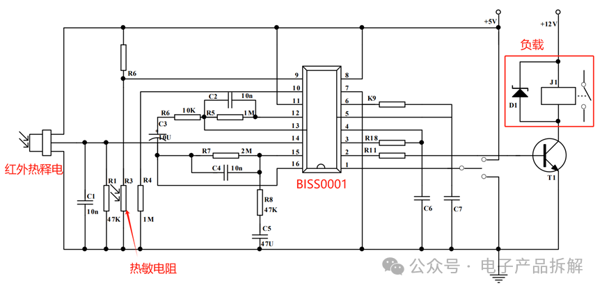
红外感应芯片BISS0001
板子上最大的这颗芯片封装是SOP-16,丝印BISS0001,型号也是BISS0001,这个芯片价格应该在三毛左右,量大了估计会很便宜。
BISS0001是一款人体热释电传感器处理芯片。它可以外接一个人体热释电传感器和一个光敏电阻,通过人体热释电传感器来检测人体、通过光敏电阻来检测环境光强度。在有人体、且环境光强度低于阈值时,可以输出一路开关信号来打开灯、继电器、蜂鸣器、电风扇等各种需要控制的设备。而且这个开关信号还会在一定延迟之后关闭。
所以我们就理解了这个小夜灯的设计逻辑:使用BISS0001来检测在晚上黑暗的情况下,感应到人体,就打开灯光,过一定时间(比如30秒或者1分钟)之后关闭。小夜灯内有几个开关用来调节亮度,那这个开关在电路中的作用就是改变LED驱动电流大小。注意,板子上的拨段开关和下图这个开关不是一回事,这个后文再讲。

这个芯片的应用场景还挺多,企业、宾馆、厂房、宿舍楼道等很多需要检测到人开启、并在一定时间之后关闭的地方都会用到。对了,还有一个最熟悉的场景,就是厕所。
02
NMOS SI2300

这颗封装SOT23,丝印00A8C的器件,经查阅应该是SI2300(KI2300),可能是科信的一颗料。这颗MOS的VDS是20V,ID是5A。RDSON是25mΩ@Vgs=4.5V,ID=5A。
03
LDO

这个封装为SOT23-5,丝印5J=24H的芯片是一颗LDO,右边黑色的器件是一颗肖特基二极管,左边的C1是输入MLCC电容,上面的C2和C10是输出MLCC。实测在三节干电池供电的时候,输出电压是3V。
04
热释电传感器

板子背面这颗TO5-3铁壳封装的器件是人体红外热释电传感器(PIR SENSOR),型号D203B。

D203B的光窗尺寸是5*3.8mm,接收波长是5-14um,电源电压3-15V,等效电路如下。

人体红外热释电传感器的原理是:当晶体受热时,在晶体两端会产生数量相等,但方向相反的电荷(热释电效应)从而产生一定电压。任何高于绝对温度(-273℃)的物体都会产生红外光谱,不同温度的物体释放的红外能量波长是不同的,也就是说红外波长和温度高低相关。当人体进入到检测区域,由于人体温度大概在37℃,会发出10um左右波长的红外线,传感器在这个红外的辐照下产生了对应的微弱电压。通过信号调理电路进行调理,即可输出是否检测到人体的信号。
所以前文的BISS0001芯片就是用来做这个微弱信号的信号调理和输出的。
05
光敏电阻

在PIR的旁边有一个光敏电阻,这个就很简单了,是用来检测环境光的。板子上这个光敏电阻套了个黑色的管壳,一般见到的光敏电阻是这样的。

06
LED

板子上总共三颗LED,封装是3528,发出的光是暖黄色的,色温应该在1800-2400K左右。
06
亮度调节电路
在板子上有一个拨段开关,通过波动可以实现亮度调节,这个是如何实现的呢,电路是下面这样的。

通过开关切换接入到LED回路中的串联电阻值,从而改变流过LED的电流大小,改变LED亮度。
以上就是整个产品的细节,接下来看看所有组件。

论拆解,没有哪个品牌的产品比小米家的更容易拆。而且在拆的过程中,不会损坏任何一个组件。每个组件做工都很精良。
拆解完了很快就可以组装起来,然后打开继续可以用。

“啪”的一下,
很快啊!
它,
又亮了。
用它那微弱的光,
照亮了,
我眼前的黑暗。
而你,
我亲爱的,
你相信光吗?
历史文章:
费了九牛二虎之力,把这个4块钱包邮的手电筒拆开之后,才发现设计这个结构的人有点厉害
一百多块钱的吸顶灯,打开看看你觉得值多少钱
拆了一个电瓶车防盗报警器,里面的电路设计令人大吃一惊
到顶部